RAM
局部性原理:
- 时间局部性:一小段时间内,最近被访问过的程序和数据很可 能再次被访问
- 空间局部性:在空间上这些被访问的程序和数据往往集中 片存储区
- 顺序性:指令顺序执行比转移执行的可能性大(大约 5:1 )
数据总线:数据总线宽度 × 总线时钟频率 ∝ 总线最高数据吞吐能力
ROM 也是随机访问
1. DRAM
MOS 管、电容存储二进制数据
特点:集成度高、容量大、能耗低、速度慢
- 破坏性读出:读出时被强制清零,必须把读出内容再写回去,产生预充电延迟;(结束预充电前不能开始下一次读)
- 需定期刷新:电容漏电,须定时补充能量,按行刷新
- 集中刷新:停止内存读写,逐行刷新所有行
- 分散刷新:每次内存读写后刷新一行,各行轮流刷新
- 快速分页组织:连续读写相同行地址,将行地址锁存,后续只送列地址
2. SRAM
D flip-flop
特点:速度快,存储密度低(单位面积容量小),输入输出共用管脚,能耗高,成本高
行列地址同时送
3. Cache
3.1 相联度
Block/Line 块:数据交换的最小单位;典型值: 4 ~ 128 Bytes
Hit 命中: Hit rate 命中率,命中时间
Miss 缺失: Miss Rate 缺失率, Miss Penalty 缺失损失
命中时间 << 缺失损失
平均访问时间 = 命中率 × 命中时间 + (1 – 命中率) × 缺失损失
Fully Associative 全相联:主存字块可以和任意 cache 字块对应,灵活;成本太高
- 主存地址 = 块号 || 块内地址
- entry 包含 valid, tag, line data
- 块号和 tag 比较

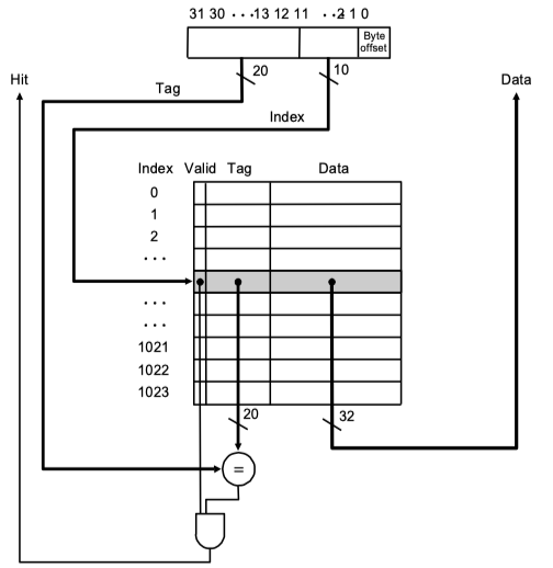
Direct Mapped 直接映射:
- 主存地址 = tag 标记 || index 索引 || 块内地址
- 内存中的每个单元在 cache 中只会有唯一的一个位置(取决于 index)和它对应
- 利用率低、命中率低、效率低

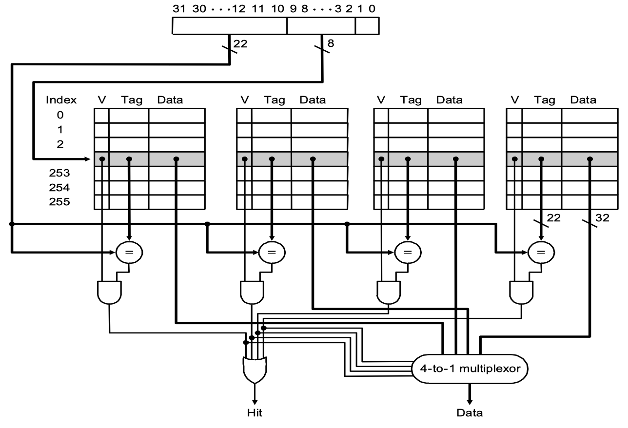
N-way Set Associative 组相联:

3.2 命中与缺失
一致性保证:
- Write Through 写直达
- 强一致性,效率低
- 命中 cache :同时修改 cache 和主存
- Miss cache :
- 写分配 Write Allocate
- 非写分配 not Write Allocate
- Write Back
- 弱一致性, cache 替换时才往主存写
the three Cs 缺失原因:
- Compulsory Miss 必然:访问没有在 cache 中出现过的块(第一次访问它)
- 开机 or 进程切换
- 解决:增加块大小、预取(提前取未来可能访问的)
- Capacity Miss 容量:活动数据集超出 cache 大小
- 解决:增大容量,但同时会增大访问时间
- Conflict Miss 冲突:多个内存块竞争同一 cache
- 解决:提高相联度(路数),但同时会增大访问时间
- (附加:)无效:其它进程修改了主存数据
缺失率与相联度、容量的关系:

命中率与容量:边际效益递减

缺失率与 cache 总大小、块大小的关系:

- cache 总大小一定
- 刚开始块大小 ↑ ,缺失率 ↓
- 当块大小相对于总大小太大时, cache 块数太少,缺失率反而 ↑
- 数据块 ↑ ,需要更多时间装入数据块,缺失损失 ↑
替换方式:
- LFU: 一段时间内被访问次数最少的换出
- Least Recently Used (LRU): 最近未访问的换出(时间局部性)
- FIFO: 先换入的行换出(时间局部性)
- RAND: 随机
命中率: LRU 最好
3.3 Others
多级 cache
指令 cache 与数据 cache
cache 的接入方式:
| 侧接 | 隔断 |
|---|---|
![]() |
![]() |
一致性保证策略
Last update: December 27, 2021
Authors:

